
Suitable for the automatic production of 30-50L large barrel,
The three metal plates: can body, can cover and can bottom. The can is cylindrical shape.
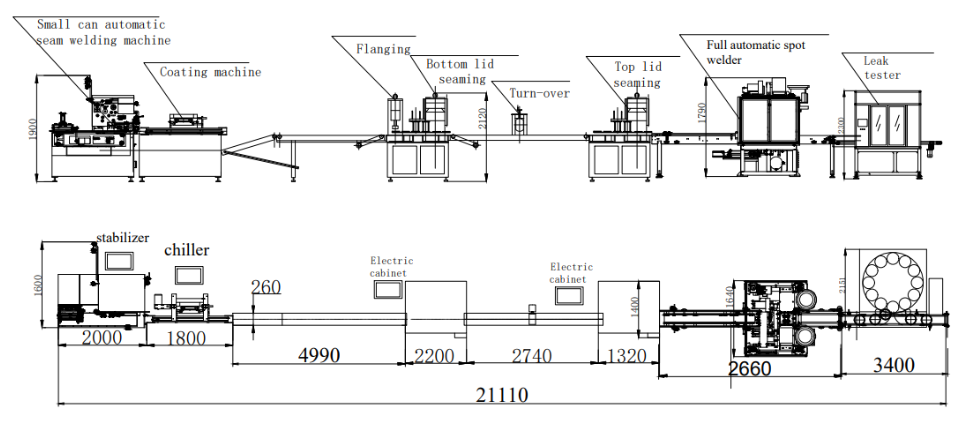
Technical flow:
cutting the tin sheet to blank-rounding(Slitting)-Welding-outer Coating-Flanging-bottom lid feeding-Seaming-Turning over-Top lid feeding-Seaming-+Ear lug welding-Leak testing-packaging
The barrel making production line is avaliable, Click here to get the detailed information.
First place the cut can body materials into the automatic resistance welding machine's feeding table,Suck by the vacuum suckers,send the tin blanks to the feeding roller one by one.through the feeding roller,the single tin blank is fed to the rounding roller to conduct rounding process,then it will be fed to the rounding forming mechanism to make rounding.The body is fed into the resistance welding machine and make welding after the accurate positioning.
After welding,the can body is automatically fed into the rotary magnetic conveyor of the coating machine for outer coating, inner coating or inner powder coating,Which depends on customer's various need.It is mainly used to prevent the side welding seam line from being exposed in air and rusting.The can body is then fed to the combination machine,It is in an upright state going through the uprighting conveyor.and is sent to flanging station by clamps.The flanging task is finished by bumping of upper and lower flanging mold.
After that, the flanged can body is sent to automatic bottom lid feeder,through the detecting sensor detecting the coming can body,the lid feeder will automatic feed the bottom lid to the top of can body and both of them are sent to the position under the seaming chunk,the lifting tray sends the can body and bottom to the seaming machine head to seal.
After one end seaming.It is sent to can body turner to turn the can body over,Then conduct again the automatic top lid detecting and seaming.Lastly.it is fed to automatic double spots ear lug welding machine,through automatic side welding seam indexing,Cam conveyor conveying,mechanic paint breaking,also equipped with automatic ear lugs vibrating discs,finish accurate welding task on small round can.
Lastly,the finished can is fed by conveyor to automatic leak tester station.After accurate air source inspection, unqualified products are detected and pushed to a fixed area,and qualified products will come to the packaging workbench for the final packaging.
| First cut(min width) | 150mm | Second cut(min width) | 60mm |
| Speed (pcs/min) | 32 | Thickness of sheet | 0.12-0.5mm |
| Power | 22kw | Voltage | 220v/380v/440v |
| Weight | 21000kg | Dimension(L*W*H) | 2520X1840X3980mm |
| Model | CTPC-2 | Voltage&Frequency | 380V 3L+1N+PE |
| Production speed | 5-60m/min | Powder consumption | 8-10mm&10-20mm |
| Air consumption | 0.6Mpa | Can body range | D50-200mm D80-400mm |
| Air requirement | 100-200L/min | Power consumption | 2.8KW |
| Machine dimension | 1080*720*1820mm | Gross weight | 300kg |
| Frequency range | 100-280HZ | Welding speed | 6-15m/min |
| Production capability | 15-35Cans/min | Applicable can diameter | Φ220-Φ350mm |
| Applicable can height | 220-550mm | Applicable material | Tinplate,steel-based,Chrome plate |
| Applicable material thickness | 0.2~0.6mm | Applicable copper wire diameter |
Φ1.7mm ,Φ1.5mm |
| Cooling water |
Temperature: 12-20℃ Pressure:>0.4Mpa Flow:40L/min |
||
| Total power | 125KVA | Dimension |
2200*1520*1980mm |
| Weight | 2500Kg | Powder | 380V±5% 50Hz |
| Burner power | 1-2KW | Burner heating speed | 4m-7m/min |
| Suitable small can diameter | Φ45-Φ176mm | Suitable big can diameter | Φ176-Φ350mm |
| Can height | 45mm-600mm | Cooling water | >0.4Mpa,12-20℃,40L/min |
| Air consumption | ≥50L/min>0.5Mpa | ||
| Production capacity | 25-30cpm | Range of can Dia | 200-300mm |
| Range of can height | 170-460mm | thickness | ≤0.4mm |
| Total power | 44.41KW | Pneumatic system pressure | 0.3-0.5Mpa |
| Body uprighting conveyor size | 4260*340*1000mm | Combination machine size | 3800*1770*3200mm |
| Electric carbinet size | 700*450*1700mm | Weight | 9T |
China leading provider of 3 piece Tin Can Making Machine and Aerosol Can Making Machine, Changtai Intelligent Equipment Co., Ltd. is an experienced Can Making Machine factory.Including parting, shaping, necking, flanging, beading and seaming,Our can making systems feature high-level modularity and process capability and are suitable for a wide range of applications, With fast, simple retooling, they combine extremely high productivity with top product quality, while offering high safety levels and effective protection for operators.